Views: 20 Author: Site Editor Publish Time: 2025-07-05 Origin: Site
Case Study: High-Speed Packaging Line for Australian Aluminum Beverage Bottles (60ml & 100ml)
|
P
roject Background & Client Challenges
Establish a fully automated packaging line capable of handling two specifications of aluminum beverage bottles (60ml and 100ml) at a speed of 50-60 bottles per minute, with integrated cartoning of single row with 6/double row with12 bottles per box. The project aims to meet client's growing demand for premium, portable, and sustainable aluminum packaging solutions.
| Sample Submission & Analysis
After analyzing the client’s bottle samples, throughput needs, and regulatory requirements, our team developed a tailored solution as below:
Core Equipment: YTSP Automatic Filling & Capping Machine and ZH-100 Cartoning Machine.
Key Customizations:
Integrated a 4-head gear pump filling system for more output requirement and accuracy, paired with a double-head sealing machine for secure sealing.
Configured a cartoning machine with extra parts, a cartoning machine that meets 2 specifications of box packing packaging.
60ml
100ml
Single row 6/Double row 12 bottles into a box(60ml)
Single row 6/Double row 12 bottles into a box(100ml)
|
Place Order & Production Execution
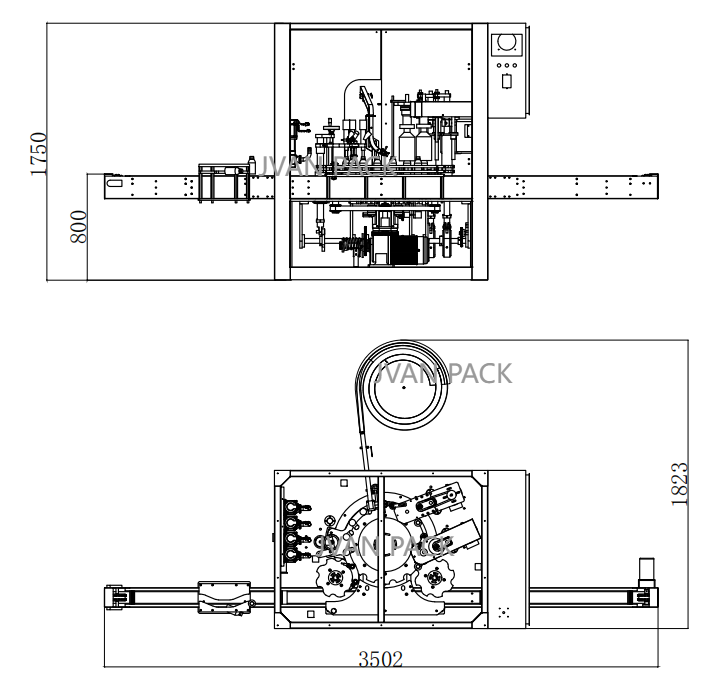
Provide necessary drawings and dimensions for customer confirmation, and then proceed with production.
After the machine is completed, we test the machine with samples and take photos as well as videos for the customer to confirm.
![]() |
|

Filling&Capping
Anti drip nozzle
Extra parts
Cartoning machine
Box loading part
|
Delivery
Machine packaged into wooden case and delivery within the agreed timeframe.
The machine is shipped as a whole, and customers can simply arrange it after receiving it.
|
Client Feedback

Customer Acceptance Test & Remote Validation
The machine underwent a rigorous Customer Acceptance Test, conducted via live video link. The client witnessed the entire production process in real-time, including changeovers between the 60ml and 100ml formats, filling accuracy checks, ROPP capping, and the 6-bottle cartoning sequence. The equipment operated smoothly at the required speed of 50-60 bottles per minute, meeting all specified performance criteria. The client formally confirmed that the machine functions are in full compliance with the purchase agreement, and final acceptance has been granted.